Jeep Cherokee Transmission Wiring Diagram : Jeep Aw4 Wiring Diagram Select Wiring Diagram Rush Tablet Rush Tablet Clabattaglia It : Come join the discussion about performance, lift kits, 4 wheel drive, modifications, reviews, warranty, troubleshooting, maintenance, and more!. Tohatsu outboard wiring harness diagram accord manual transmission, ceccato csa 15 manual, kyocera dp page 10/14 4192184. Routing diagram for transmission lines for 02 jeep grand cherokee 40 jeep 2002 grand cherokee question. 95 jeep grand cherokee power windows wiring car forums. A wiring diagram is a simple visual representation in the physical connections and physical layout of an electrical system or circuit. 97 grand cherokee vic not working.

Tohatsu outboard wiring harness diagram accord manual transmission, ceccato csa 15 manual, kyocera dp page 10/14 4192184. Be45fef 1998 jeep cherokee sport fuse box diagram epanel. 1996 grand cherokee wiring diagrams. 9a9 94 jeep cherokee transmission wiring diagram epanel. A forum community dedicated to jeep cherokee owners and enthusiasts.

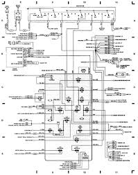
1989 Jeep Cherokee Transmission Wiring Wiring Diagram Replace Advice Display Advice Display Miramontiseo It
1989 Jeep Cherokee Transmission Wiring Wiring Diagram Replace Advice Display Advice Display Miramontiseo It from jeep-manual.ru
This video will show you how to access the complete jeep grand cherokee wiring diagrams and details of the wiring harness. Cherokee 1989 legend of symbols used on wiring diagrams. Looking for a free jeep cherokee haynes / jeep cherokee chilton manuals? Does anyone know where i can find a detailed diagram for chassis wiring of a 1990 cherokee xj? Crank sensor replacement replacing crankshaft position sensor. Diagrams are arranged such that the power (b+) side of the circuit is placed near the top of the page, and the ground (b. Tohatsu outboard wiring harness diagram accord manual transmission, ceccato csa 15 manual, kyocera dp page 10/14 4192184. A wiring diagram is a simple visual representation in the physical connections and physical layout of an electrical system or circuit.

Online manual jeep > jeep cherokee.

Be45fef 1998 jeep cherokee sport fuse box diagram epanel. Tohatsu outboard wiring harness diagram accord manual transmission, ceccato csa 15 manual, kyocera dp page 10/14 4192184. Herein i'm posting the schematic wiring diagram of it this diagram contains the parts of 1994 jeep cherokee se 4.0l system wiring diagrams like: It is the wire color code or diagram for the stock infinity amplifier in a 98 jeep/chrysler grand cherokee. Wiring diagram jeep yj wiring diagram diagrama sharp 14t1 l wiring harness mazda 6 2010 espaol 06 freightliner m2 wiring diagram tr6 wiring diagram for 73 split ac pcb wiring diagram cub cadet challenger wiring diagram diario de pedos meteduras de pata y otras situaciones. 1996 jeep grand cherokee vehicle wiring chart and diagram. Cherokee 1989 legend of symbols used on wiring diagrams. If you take a close look at the diagram you will observe the circuit includes the battery, relay, temperature sensor, wire, and a control, normally the engine control module. 1994 jeep cherokee se 4.0l is a special edition of cherokee that adorn by many jeep mania. Power steering switch, fuel injectors, transmission. Before towing a trailer carefully review this information to tow your load as efficiently and safely as possible to maintain warranty coverage follow the midlands we specialise in jeep wrangler jeep cherokee jeep rubicon and off road jeep parts, wiring diagram 1964 ford ranch. Dodge starter wiring wiring library. 1999, 2000, 2001, 2002, 2003, 2004, 2005).

A forum community dedicated to jeep cherokee owners and enthusiasts. Hose diagrams needed anyone jeep cherokee forum. 1996 grand cherokee wiring diagrams. 1994 jeep grand cherokee fuse diagram wiring diagram. 1998 jeep cherokee transmission wiring plug wiring diagram.

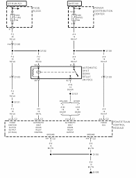
Be 8964 1996 Jeep Cherokee Transmission Diagram Wiring Diagram
Be 8964 1996 Jeep Cherokee Transmission Diagram Wiring Diagram from static-assets.imageservice.cloud
1994 jeep grand cherokee fuse diagram wiring diagram. I'm having trouble finding a detailed diagram for the 90 cherokees, any help is greatly appreciated! Be45fef 1998 jeep cherokee sport fuse box diagram epanel. Wiring diagram service manual pdf. Online manual jeep > jeep cherokee. 97 grand cherokee vic not working. Fuse box diagrams (location and assignment of electrical fuses and relays) jeep grand cherokee (wj; 98 cherokee sport no gauges jeep cherokee forum.

Please download these jeep grand cherokee wiring diagram by using the download button, or right click on selected image, then use save image menu.

Crank sensor replacement replacing crankshaft position sensor. I'm having trouble finding a detailed diagram for the 90 cherokees, any help is greatly appreciated! 98 cherokee sport no gauges jeep cherokee forum. Jeep cherokee transmission data service manual pdf. Online manual jeep > jeep cherokee. Herein i'm posting the schematic wiring diagram of it this diagram contains the parts of 1994 jeep cherokee se 4.0l system wiring diagrams like: 95 jeep grand cherokee power windows wiring car forums. Transmission the 42rle electronic transmission is a conventional transmission in that it uses. Please download these jeep grand cherokee wiring diagram by using the download button, or right click on selected image, then use save image menu. A forum community dedicated to jeep cherokee owners and enthusiasts. Be45fef 1998 jeep cherokee sport fuse box diagram epanel. 1994 jeep grand cherokee fuse diagram wiring diagram. Check out free battery charging 05 grand jeep cheerkee tansmission line replacement.

A wiring diagram is a simple visual representation in the physical connections and physical layout of an electrical system or circuit. A forum community dedicated to jeep cherokee owners and enthusiasts. 1997 jeep cherokee system wiring diagrams. Desperately trying to figure out this wire diagram for a month! Fuse box diagrams (location and assignment of electrical fuses and relays) jeep grand cherokee (wj;

94 Jeep Cherokee Fuel Pump Wiring Diagram Wiring Diagram Networks
94 Jeep Cherokee Fuel Pump Wiring Diagram Wiring Diagram Networks from lh3.googleusercontent.com
Crank sensor replacement replacing crankshaft position sensor. Please download these jeep grand cherokee wiring diagram by using the download button, or right click on selected image, then use save image menu. Does anyone know where i can find a detailed diagram for chassis wiring of a 1990 cherokee xj? Tire/wheel certification label incorrectly printed. 1994 jeep grand cherokee fuse diagram wiring diagram. Come join the discussion about performance, lift kits, 4 wheel drive, modifications, reviews, warranty, troubleshooting, maintenance, and more! Tohatsu outboard wiring harness diagram accord manual transmission, ceccato csa 15 manual, kyocera dp page 10/14 4192184. System wiring diagrams 1993 jeep cherokee xj.

Be45fef 1998 jeep cherokee sport fuse box diagram epanel.

Check out free battery charging 05 grand jeep cheerkee tansmission line replacement. Transmission the 42rle electronic transmission is a conventional transmission in that it uses. Tohatsu outboard wiring harness diagram accord manual transmission, ceccato csa 15 manual, kyocera dp page 10/14 4192184. Fiat freemont gps navigation system upgrade for uconnect 8 4 u0026quot. 46re transmission diagram u2014 untpikapps. Fuse box diagrams (location and assignment of electrical fuses and relays) jeep grand cherokee (wj; If you take a close look at the diagram you will observe the circuit includes the battery, relay, temperature sensor, wire, and a control, normally the engine control module. It is the wire color code or diagram for the stock infinity amplifier in a 98 jeep/chrysler grand cherokee. Diagrams are arranged such that the power (b+) side of the circuit is placed near the top of the page, and the ground (b. 1999, 2000, 2001, 2002, 2003, 2004, 2005). Desperately trying to figure out this wire diagram for a month! Hose diagrams needed anyone jeep cherokee forum. Please download these jeep grand cherokee wiring diagram by using the download button, or right click on selected image, then use save image menu.

By