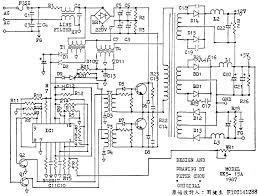
Pc Power Supply Wiring Diagram : Dc Dc Atx Psus / Various atx psu schematics atx_power_supply_schematic.pdf.. Here i bring you wiring diagram of pcs power supply of dtk company. Various atx psu schematics atx_power_supply_schematic.pdf. On linear power supplies, the power supply is set to deliver its maximum power, even if the circuit that is connected to it isn't pulling a lot of current. They're affordable, made for supplying electronics and can often be salvaged from old pcs. Then power supply will continue through the phase wire (note that neutral is already connected) which is connected to the ups from main board (it will charge your battery as well) and then from ups to connected electrical appliances.

The presented universal power supply circuit can be used just for anything, you can use it as a referring to the above proposed universal power supply circuit diagram, the functional details can i have connected a diode across the motor wires. Power supply for usb devices circuit diagram. Power supply unit (psu) is a vital part in any electronic product design. Power supply test circuit electronic load schematic circuit diagram. This power supply uses combined regulation of +5v and +12v.

Power Supply Pinouts Atx Dell Power Mac
Power Supply Pinouts Atx Dell Power Mac from www.smps.us
They're affordable, made for supplying electronics and can often be salvaged from old pcs. Connect pc instead of other load. Atx 400 power supply schematic. Then power supply will continue through the phase wire (note that neutral is already connected) which is connected to the ups from main board (it will charge your battery as well) and then from ups to connected electrical appliances. Here i bring you wiring diagram of pcs power supply of dtk company. They expend energy constantly and. How to convert atx psu (pc power supply unit) into a cheap bench top power supply which can be used to power many different types of electronics circuits. Power supplies (psus) built for commodity pcs, typically atx psus, are pretty convenient for supplying reprap printers and their controllers.

• typical practice in pc power supplies:

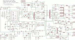
Endless possibilities with modded old pc power supply diy. Circuit and wiring diagram download: On figures 3 and 4 you can see the block diagram of a switching power supply with pwm feedback used on pcs. The power supply unit (psu) is one of the pc components that we tend to take for granted. Most household electronic products like mobile chargers, bluetooth speakers, power banks, smart watches etc before going straight into building the prototype part, let's explore the 5v 2a smps circuit diagram and its operation. The author is noted usually directly in the schematic. On this page i collect the schematics of switching supplies for computers (smps) atx v 1.0, atx v 2.0 and some at, which i found on internet. Therefore, the body of a resistor is considered an uninsulated live part. A single power supply can provide as many as voltages as are required by using a voltage (or potential) divider, as illustrated in the figure. How to make practical ups ? • typical practice in pc power supplies: I made a powerful supply from old pc pwr supply. On linear power supplies, the power supply is set to deliver its maximum power, even if the circuit that is connected to it isn't pulling a lot of current.

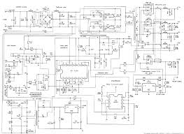
Therefore, the body of a resistor is considered an uninsulated live part. When power supply is connected to the line voltage, then at first are charged capacitors c5 and c6 together for about 300v. Then take a run secondary power supply controlled by transistor q12 and on his output will be voltage. I made a powerful supply from old pc pwr supply. Your guide to computer power supply:

Power Supply Unit Computer Wikipedia
Power Supply Unit Computer Wikipedia from upload.wikimedia.org
They expend energy constantly and. I have also added practical circuit for ups in this article. Is it possible to use an atx power supply unit or psu from an old pc as a bench top power supply to power 5v logic, but with some limitations. When power supply is connected to the line voltage, then at first are charged capacitors c5 and c6 together for about 300v. How to convert atx psu (pc power supply unit) into a cheap bench top power supply which can be used to power many different types of electronics circuits. How to make practical ups ? The diagram shows the circuit of the desktop power supply. Your guide to computer power supply:

Power supplies (psus) built for commodity pcs, typically atx psus, are pretty convenient for supplying reprap printers and their controllers.

Same diagram can be used. Then take a run secondary power supply controlled by transistor q12 and on his output will be voltage. In figure 3 we show the block. Diagrams pc power supply atx 200w. After fabrication, enclose the circuit in a metallic cover. Various atx psu schematics atx_power_supply_schematic.pdf. V 1.x with 20 pin connector was widely used at pc motherboard. If your power supply doesn't have a 6 pin pci express cable then you can use the adapter shown above on the right to convert two 4 pin peripheral cables into a pci what power supply has 24 pins. Miscellaneous status and protection functions are implemented with ic m10. Here i bring you wiring diagram of pcs power supply of dtk company. On this page i collect the schematics of switching supplies for computers (smps) atx v 1.0, atx v 2.0 and some at, which i found on internet. A single power supply can provide as many as voltages as are required by using a voltage (or potential) divider, as illustrated in the figure. On figures 3 and 4 you can see the block diagram of a switching power supply with pwm feedback used on pcs.

Often more than one dc voltage is required for the operation of electronic circuits. Power supply test circuit electronic load schematic circuit diagram. Then power supply will continue through the phase wire (note that neutral is already connected) which is connected to the ups from main board (it will charge your battery as well) and then from ups to connected electrical appliances. Computer power supplies have a number of safety features that help to protect you and the power supply itself. Circuit and wiring diagram download:

Atx 24 Pin Power Supply Connector Pinout Diagram Pinouts Ru
Atx 24 Pin Power Supply Connector Pinout Diagram Pinouts Ru from pinouts.ru
I made a powerful supply from old pc pwr supply. Is it possible to use an atx power supply unit or psu from an old pc as a bench top power supply to power 5v logic, but with some limitations. I have also added practical circuit for ups in this article. Atx 400 power supply schematic. 6 pin power connector specification. It could be a specialized monitor ic designed specifically for computer power supplies. Ups (uninterruptible power supply), you will learn what is ups? • typical practice in pc power supplies:

Schematics of halfbridge atx (at) supplies with tl494, ka7500 ics tl494 and ka7500 are.

On linear power supplies, the power supply is set to deliver its maximum power, even if the circuit that is connected to it isn't pulling a lot of current. The circuit can be wired on a common pcb. • typical practice in pc power supplies: Atx 400 power supply schematic. V 1.x with 20 pin connector was widely used at pc motherboard. Miscellaneous status and protection functions are implemented with ic m10. On figures 3 and 4 you can see the block diagram of a switching power supply with pwm feedback used on pcs. Power supply test circuit electronic load schematic circuit diagram. The presented universal power supply circuit can be used just for anything, you can use it as a referring to the above proposed universal power supply circuit diagram, the functional details can i have connected a diode across the motor wires. Connect pc instead of other load. A computer power supply converts the ac power from the wall outlet into smaller dc voltages that power the various components of the computer. Ups (uninterruptible power supply), you will learn what is ups? The author is noted usually directly in the schematic.

By